ATUC-IR 數字紅外無線會議系統

一般的會議使用都需要嚴格的保密性與防干擾性,ATUC-IR數字紅外無線會議系統擁有防止竊聽的紅外線傳送,保密性好,防竊聽,可確保會議安全進行。
反饋抑或器 (FBS)
3 種會議模式
3 種優先模式
2 種發言/觸發模式
USB 錄音
以網頁方式遠程控制
多達10 個話筒同時發言
4路矩陣音頻輸出
每臺控制單元可操控多達 200組ATUC-IRDU
4路BNC天線接口
為多達16個ATUC-IRA供電
2路Dante 輸入/輸出 (ATUC-IRCUDAN)
ATUC-IRDU紅外討論單元


ATUC-IR數字紅外無線會議系統設置了雙發言按鍵,可兩人共用一個單元,帶兩路耳機輸出。可以通過設置ID來區分會議單元,并使用帶光環話筒和任意標準模擬卡農輸出的鵝頸話筒。
ATUC-IRA紅外收發單元

ATUC-IRA設計了全新的紅外收發器,覆蓋范圍更廣。白色的平板外殼,更能融合天花布局,易于安裝,便于維護。
ATUC-IRD紅外分配單元
ATUC-IRD采用1入2 出的分配連接,配置了1 臺 ATUC-IRCU 的4路輸出,經兩重分配后,可分配達 16 路收發單元配置,覆蓋更大型的會議空間。
專用鵝頸式話筒

ATUC-IR可搭配ATUC-M32L、ATUC-M43H、ATUC-M58H專用鵝頸式話筒使用。
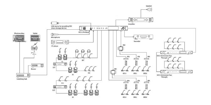
混合控制單元ATUC-IRCU

ATUC-IRCU可為多達16個ATUC-IRA紅外收發器單元和100個有線討論單元供電,一臺系統可以控制多達300個討論單元(100個ATUC-50DUa單元和200個ATUC-50DUa單元)
同時可再串聯兩臺ATUC-50CU子機,擴展至500個會議話筒(300個ATUC-50DUa單元和200個ATUC-50DUa單元)
中國生產,含中文操作系統
系統配置





13544195330